Long Press ON/OFF Switch using BC547 | Push Button Long press On/Off function.
We all know that switch plays an important role in electrical circuit , and electrical engineering is impossible without switch.
A switch is an electrical device and its function is to turn an electrical equipment on or off, also we can say it is used to connect or disconnect two circuits. Currently there are different sizes, types of switches. The switch we have made here follows the POWER OFF and ON of the Android phone and it has been used in many devices other than the Android phone such as computer, mobile, bluetooth music system, smart watch, etc. This switch plays an important role in terms of safety as if someone accidentally presses the switch normally then it will not work, it will work only when you press and hold the switch like I do when switching on the mobile.
History of the Switch:-
In October 1879, Thomas Edison invented the first carbon filament light bulb, but the issue of the switch had not yet come to the fore, and then John Henry Holmes invented the first light switch in 1884, and since then, the development of better light and switch has gradually continued.
Project intro:-
This project can be made in different ways, like using two 555 timer ICs, using transistors and CD4017 ic, using a microcontroller and many more methods you can make it. But we have used only bc-547 transistors to make this project because the cost is very less compared to other circuits.
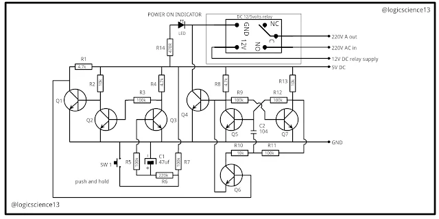
Part list :-
- Transistors bc-547 -7no(Q¹ - Q⁷)
- Capacitors 47uf 63volts- 1no
- ciramic Capacitors 104 - 1no
- Tactile push switch -1no
- Red led -1no
- DC 12/5volt Relay -1no
- Resistor 1/4w
- 4.7k -3no
- 10k -3no
- 100k -6no
- 220k -1no
- 470R - 1no
Circuit diagram:-
Video Clip
Update circuit diagram you can adjust delay time in this circuit .
All resistors power 0.25watt
All Transistors BC547
Power supply 12v dc
This circuit has been updated, now you can easily adjust the delay time. To increase the delay you need to increase the value of C1 capacitor. Remember here if C1 is 100uf then the delay time will be about 28.5sec. For example if you want to get 3 minutes delay then you need to increase the value of C1.
3min*60sec=180sec. C1,100uf=28.5sec.
180/28.5=6.316 6.316*100=631.58uf
So you need to use C1= 631.58uf capacitor in this circuit.





0 Comments